来源: 农视网 2024-03-06 15:08:37
在景区门口、写字楼下、农村集市里,总能看到炸淀粉肠的小摊,从最初的一元一根到如今的十元三根,价格贵了几番,味道没变, 受欢迎程度反而更高了。
当初在学校门口偷吃淀粉肠的小学生们长大成人,在互联网上捍卫心爱的淀粉肠和过去那个没有“垃圾食品自由”的自己,说:
“我就爱吃淀粉肠,但凡有一点肉都不行”!
但就像小时候以为淀粉肠是肉做的,大人却说里面没有肉,长大后我们深信“淀粉肠里没有肉”,却再次被现实“打脸”:淀粉肠里的肉其实比淀粉多得多!

淀粉肠里
淀粉竟然没肉多?
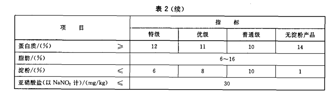
首先,市面上所有的淀粉肠都属于火腿肠。从2007年6月开始实施的中华人民共和国火腿肠国家执行标准GB/T 20712-2006,明确要求了火腿肠产品中的淀粉含量不能超过10%,蛋白质含量不能少于10%,不符合相应等级要求,错误标注产品等级的,会被责令停业、处以罚款甚至吊销营业执照。

其次,如果我们仔细阅读火腿肠包装袋上的配料表,会发现淀粉永远排在肉的后面。在我国,预包装食物“应按制造或加工食品时加入量的递减顺序一一排列”,这也证明了在火腿肠中肉比淀粉多。


淀粉肠为什么
吃起来没肉味?
火腿肠吃起来没肉味,是因为它独特的制作工艺,把肉彻底打散再重新组合,在这个过程中肉的许多性质都发生了巨大改变。
“打散”包括“斩拌”和“乳化”两个关键步骤。通过超高速斩拌机把肉块打成极其细小的肉泥,分离内部脂肪,再添加从瘦肉中提取的蛋白质对肉泥进行乳化,确保分离的脂肪可以稳定、均匀分布。

来源:亲水胶体改善低脂乳化肉糜制品品质的研究进展. 食品工业科技(11),426-433
作为乳化剂的蛋白质一部分负责吸附到脂肪的表面,进行一对一劝阻,另一部分则吸水膨胀形成蛋白凝胶网络,将脂肪粒隔离在里面,防止聚集。
到“重新组合”的环节,淀粉就登场了。这里要注意一点,与我们通常认为的降低成本不同,淀粉在火腿制作过程中的主要作用是改善口感。淀粉不仅可以增加火腿肠的硬度和弹性,还可以在加热后糊化,吸收比自己体积大十几倍的水分,让火腿肠吃起来更嫩。
最后,经过蒸煮杀菌,火腿肠作为肉制品最后的一丝辨识度也消失了:在115℃以上的高温环境中,肉蛋白质过度变性,肉的纤维弹性变差,肉味也随之被“消灭”得七七八八。
这样一套组合拳下来,肉以一种我们很难辨认的模样重生为火腿肠,又在油炸之后成为了备受宠爱的淀粉肠。
淀粉肠之罪
罪在何方?
像淀粉肠这样根本无法分辨出原料的加工食品,看上去就很危险,好像什么乱七八糟的东西都有可能被加进去。但实际上,在我国,加工食品有着严格的配料和制作工序要求,包括食品添加剂也是有严格的安全限量的。
淀粉肠的安全隐患主要在于食品卫生和营养学角度。
淀粉肠一般通过路边小摊贩烹饪、售卖,监管难度高,卫生环境堪忧,一旦出现问题,售后也很困难。
在火腿肠乳化过程中,盐浓度高才更方便提取出更多的蛋白质,所以市面上的火腿肠普遍有高盐问题。再加上油炸烹饪和厚厚的酱料,我们爱吃的淀粉肠是妥妥的高油高盐食品。